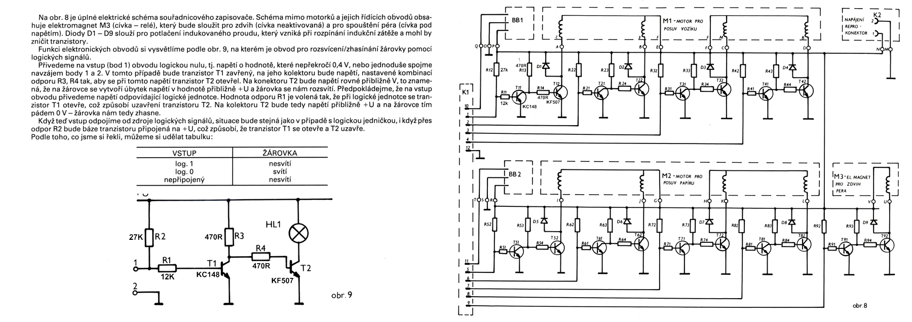
Strana 4 přílohy pro Alfi