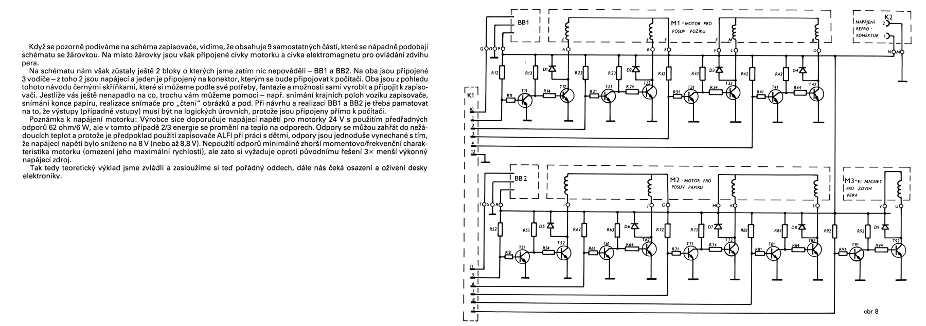
Strana 5 přílohy pro Alfi